• 糖心视频在线观看,糖心VLOG官网下载入口,糖心黄色下载,糖心成人污黄视频APP

    欢迎来到惠州市糖心视频在线观看五金制品有限公司官方网站!

    微博 微信 常见问题| 客户反馈| 网站地图

    惠州市糖心视频在线观看五金制品有限公司

    全国服务热线:137 2371 3423 / 138 2886 6587
    糖心VLOG官网下载入口

    产品中心

    全国服务热线137 2371 3423 / 138 2886 6587

    生产设备采用国内CNC加工中心,钻攻机,精雕机,激光机,满足市场多样化的产品需求! 在线咨询
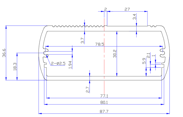
    型号:BY-095 规格:87X36
    • 型号:BY-095 规格:87X36
    • 2A4A8357.jpg

    型号:BY-095 规格:87X36

    简介:糖心VLOG官网下载入口是一种以铝合金为原料制成的各种壳体,目前市场上对于糖心VLOG官网下载入口的需求量是相当大的,因为糖心VLOG官网下载入口的用途多,使用范围广,在很多场所中都需要使用到,如电子行业、机械制造行业、手机行业等。糖心VLOG官网下载入口,具有灵活性高,深度能够恣意切开,通常内部都有电路板卡槽,只要把电路板直接插入即可,无须再行固定,快捷性是其他品种的外壳无法比拟的。

    7*24小时全国服务热线 137 2371 3423 / 138 2886 6587

    立即订购
    • 产品介绍


      糖心VLOG官网下载入口是一种以铝合金为原料制成的各种壳体,目前市场上对于糖心VLOG官网下载入口的需求量是相当大的,因为糖心VLOG官网下载入口的用途多,使用范围广,在很多场所中都需要使用到,如电子行业、机械制造行业、手机行业等。糖心VLOG官网下载入口,具有灵活性高,深度能够恣意切开,通常内部都有电路板卡槽,只要把电路板直接插入即可,无须再行固定,快捷性是其他品种的外壳无法比拟的。


      使用糖心VLOG官网下载入口的好处:


      1、糖心VLOG官网下载入口相对于别的金属材质密度小并且质量轻。


      2、糖心VLOG官网下载入口化学性能稳定,无磁性,可以重复回收利用,是一种良性可循环的金属材料。


      3、采用了热、冷两种工艺处理,有很强的耐腐蚀性能。


      4、糖心VLOG官网下载入口有良好的铸造性能,且表面处理性能良好。


      6、弹性系数小,碰撞摩擦不起火花,在汽车工艺中表现很好。


      7、全球铝的含量非常高,储量丰富。


      8、糖心VLOG官网下载入口并没有金属污染,没有毒性,表面氧化层没有挥发性金属。


      9、糖心VLOG官网下载入口有很好的延展性能,可以与很多金属元素制作轻型合金,材质优质。


      10、糖心VLOG官网下载入口可塑性强,生产性好,对于生产制作有很好的优势。


    相关产品

    网站地图